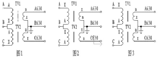
電壓互感器V/V接線正確與錯誤的接法
6kV或10kV供電系統中,用兩個單相電壓互感器組成V/V接法,可節省一個電壓互感器,降低PT柜的造價,V/V接法只能測三相線電壓,不能測單相電壓和零序電壓。
由于V/V接法,提供的功能有限,所以這種接法只用于小型的高壓配電室。兩個單相電壓互感器V/V接法的電路圖如下圖所示。V/V接法.一次側沒有接地點。如果接在兩個單相電壓互感器的連接點,則相當于V相接地。這是危險的。電壓互感器鐵芯一D要接地。電壓互感器接地端子是鐵心接地端子。
鐵芯接地的目的是保護性接地。當高壓側線圈絕緣損壞,對鐵芯漏電時,如果鐵芯接地,就會形成接地電流,繼電保護系統動作跳閘。V/V接法二次側公共連接點(V相)接地的目的是,一旦二次側線路或元件接地,那么就會與接地點形成短路回路。短路電流會熔斷故障相的熔斷器。電壓互感器二次側線圈不允許短路電流長時間通過。否則,會燒壞電壓互感器。
可是如何區分正確與錯誤的電壓互感器V/V接呢,如圖所示,電壓互感器V/V接線正確與錯誤的接法:

圖1、圖2是正確的電壓互感器V/V接法,但圖3是VΛ接法,AB、CB兩相電壓反向了180°,所以V變成v后,反相成對頂狀態。所以圖3不是電壓互感器V/V接法。