星三角啟動接觸器選型:關鍵看接觸器質量[圖解]
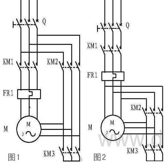
星三角啟動選用什么樣的接觸器得先看采用什么樣的星三角啟動接線,如圖1所示星三角啟動接線圖,那么就可以使用規格小一些的接觸器,為什么呢?因為三個接觸器都分攤了電流,星形啟動時啟動電流只有0.58倍的額定電壓,所以啟動電流相比直接啟動要小得多,也就可以不用很大規格的接觸器。轉換后兩個在工作的接觸器也只承受0.58倍的電流,所以這種接法選擇小規格的接觸器也沒問題。

通常情況下都會建議買1.5倍額定電流的接觸器,但是呢,不同品牌的接觸器,不同價格的接觸器它們的質量是千差萬別的。眾所周知,接觸器里面的觸點一般都是銀點,可是呢不同的價格也就有不同的觸點,而這些觸點質量的好壞則關系著接觸器的使用壽命,也關系著我們對星三角啟動接觸器的選型。
簡單點說就是貴一點的接觸器規格可以選小一點,便宜的接觸器則規格盡量選大一點。
圖2中的接法相信大多數人都是這么接的,所以一般KM1的規格都會選擇大一點,另外兩個小的則用小一規格的。它和圖1的區別是電機所有的電流都經過KM1主接觸器,所以這里無法像圖1一樣主接觸器選擇規格小一些的接觸器。
以下是星三角啟動的接觸器選型參考:

以上的LC1-D50 D65后面的50 65指的是接觸器的額定電流